Product
Resistance Remote Transmission Pressure Gauge
- Product details
-
Instrument Principle:
Composed of a Bourdon tube gauge and sliding resistor transmitter. Mechanical part same as standard gauge. The transmitter converts pressure change into resistance change for remote indication.
Application Scope:
Measures pressure of liquid, steam, gas non-corrosive to steel and copper alloy. Transmits electrical signal to remote instruments for centralized detection and control, with local indication.
Main Technical Parameters:
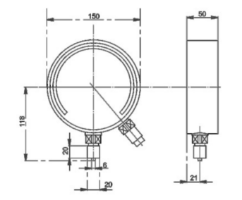
Case diameter: 150 mm
Accuracy: 1.6%
Transmitter initial resistance: 3~20 Ω
Full-scale resistance: 340~400 Ω
External voltage ≤6V
Range: 0~0.16…60 KPa; -0.1~0.06…2.4 MPa
Please contact us for detailed specifications, models and catalog selection. We will provide customized selection services!

related products
Polyethylene Insulated Computer Cables
300/500V AC PE/XLPE insulated instrument...
Diaphragm pressure gauge with isolated d...
Stainless Steel Pressure Gauge
Stainless steel pressure gauge with SUS3...
311 Series Submersible Hydrostatic Level Transmitter
311 Series Submersible Hydrostatic Level...
Product Inquiry
Please leave your message, we will contact you quickly after receiving it, thank you for your support!
Q
What is a thermocouple?
A
Thermocouples are the preferred solution for extreme temperature applications. They consist of two dissimilar metal wires joined at the measuring end, generating a voltage proportional to the temperature difference.
Working Principle: When two different metals are connected, the thermoelectric effect produces a voltage at the junction. This voltage increases with rising temperature, allowing measurement via reference tables.
Key Advantages:
• Temperature Range: -270°C to 2300°C (depending on type)
• Fast Response Time (typically 0.1–10 seconds)
• Robust Construction, vibration-resistant
• Relatively Low Cost
• No External Power Required
Q
What is the difference between RTD and thermocouple?
A
• RTD (Resistance Temperature Detector): Based on the principle that a metal conductor's resistance increases with temperature, it converts resistance measurements into temperature readings.
• Thermocouple: Operates on the Seebeck effect, where two dissimilar metals in contact generate a thermoelectric voltage proportional to temperature differences.
Features
• RTD: High accuracy, stable signal, excellent linearity, ideal for low to medium temperatures.
• Thermocouple: Simple structure, fast response, high-temperature resistance, wide measurement range.
Pros & Cons
• RTD Pros: High precision, strong anti-interference, reliable low-temperature performance.
Cons: Limited upper temperature range, bulkier size, slightly slower response.
• Thermocouple Pros: Broad temperature range, high-temperature tolerance, rapid response, suitable for moving/surface measurements.
Cons: Lower accuracy at low temperatures, requires cold junction compensation, weaker signal prone to interference.
English
简体中文
Deutsch
Español