Product Inquiry

Please leave your message, we will contact you quickly after receiving it, thank you for your support!

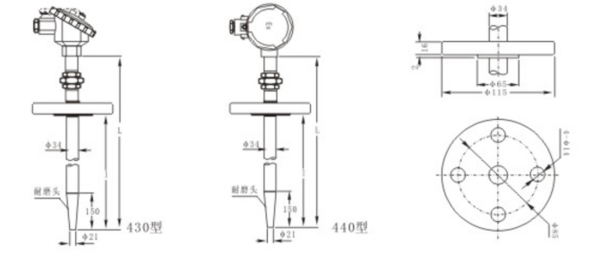
Wear-Resistant Leak-Proof Thermocouples
  • What kind of product do you need?
  • What's your budget?
  • What other information do you need to know?

Q

What is a thermocouple?


A

Thermocouples: The Champion in High-Temperature Applications
Thermocouples are the preferred solution for extreme temperature applications. They consist of two dissimilar metal wires joined at the measuring end, generating a voltage proportional to the temperature difference.
Working Principle:​ When two different metals are connected, the thermoelectric effect produces a voltage at the junction. This voltage increases with rising temperature, allowing measurement via reference tables.
Key Advantages:​
• Temperature Range:​ -270°C to 2300°C (depending on type)
• Fast Response Time​ (typically 0.1–10 seconds)
• Robust Construction, vibration-resistant
• Relatively Low Cost​
• No External Power Required

Q

What is the difference between RTD and thermocouple?


A

Principles
• RTD (Resistance Temperature Detector):​ Based on the principle that a metal conductor's resistance increases with temperature, it converts resistance measurements into temperature readings.
• Thermocouple:​ Operates on the Seebeck effect, where two dissimilar metals in contact generate a thermoelectric voltage proportional to temperature differences.
Features
• RTD:​ High accuracy, stable signal, excellent linearity, ideal for low to medium temperatures.
• Thermocouple:​ Simple structure, fast response, high-temperature resistance, wide measurement range.
Pros & Cons
• RTD Pros:​ High precision, strong anti-interference, reliable low-temperature performance.
Cons:​ Limited upper temperature range, bulkier size, slightly slower response.
• Thermocouple Pros:​ Broad temperature range, high-temperature tolerance, rapid response, suitable for moving/surface measurements.
Cons:​ Lower accuracy at low temperatures, requires cold junction compensation, weaker signal prone to interference.

If you wish to learn more detailed information about us, you can contact us through the above methods!


Leave your message

If you have any suggestions or questions for us, please feel free to contact us!