相關產品

高穩定性二進制隔離溫度變送器,輸入和輸出之間具有電氣隔離。兩線標準連接。4-20...

擁有ATEX和IECEx認證的優質防爆熱電偶製造商。專爲石油、化工、採礦和製藥行...

產品詢價

請留言,我們收到後會迅速與您聯繫,謝謝您的支持!

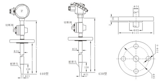
耐磨截止熱電偶
  • 你需要什麼樣的產品?
  • 你預算有多少?
  • 你還需要了解哪些其他信息?

什麼是熱電偶?


熱電偶:高溫應用的冠軍
熱電偶是極端溫度應用的首選解決方案。它們由兩根不同的金屬線組成,連接在測量端,產生與溫差成比例的電壓。
工作原理:當兩種不同的金屬連接時,熱電效應在連接處產生電壓。該電壓隨着溫度的升高而增加,允許通過參考表進行測量。
主要優勢:
溫度範圍:-270°C至2300°C(取決於類型)
快速響應時間(通常爲0.1-10秒)
•堅固的結構,抗振動
•成本相對較低
無需外部電源

RTD和熱電偶有什麼區別?


原則
電阻溫度檢測器:基於金屬導體的電阻隨溫度增加的原理,它將電阻測量值轉換爲溫度讀數。
熱電偶:在塞貝克效應下工作,其中兩種不同的金屬接觸產生與溫差成比例的熱電電壓。
特點
RTD:高精度、穩定的信號、出色的線性度,非常適合中低溫度。
•熱電偶:結構簡單、響應速度快、耐高溫、測量範圍寬。
優點與缺點
RTD優點:高精度、抗干擾性強、低溫性能可靠。
缺點:上限溫度範圍有限,體積較大,響應稍慢。
熱電偶優點:寬溫度範圍、耐高溫、快速響應,適用於移動/表面測量。
缺點:低溫下精度較低,需要冷端補償,信號較弱容易受到干擾。

若您希望进一步了解我们的详细资讯,可以通过以上方式联系我们!


留下您的信息

如果您對我們有任何建議或問題,請隨時與我們聯繫!